Защелка врезная Fuaro PLASTIC P12-45-25 WH белый

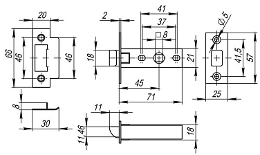
Дверная защелка с пластиковым механизмом Fuaro P12 серии PLASTIC изготовлена в соответствии с требованиями ГОСТ 5089-2003. Предназначена для установки в деревянные межкомнатные двери. Корпус выполнен из стали с надежным гальваническим покрытием. Защелка легко устанавливается, подходит для дверей левого и правого открывания. Ударопрочный пластиковый механизм обеспечивает бесшумность работы защелки. Защелка P12 с усиленной пружиной имеет высший 4 класс надежности (250 000 циклов открывания/закрывания). Отверстия под стяжные винты находятся на расстоянии 37-41 мм. Размер бэксета - 45 мм. Возможна установка дверных ручек на стяжные винты для более прочного крепления. Гарантия: 1 год.

  • ПроизводительFuaro
  • СтранаКитай
  • Вес115 г
  • Гарантия1 год
  • Тип механизма защёлкиКлассическая защёлка
  • Дополнительная фиксацияБез дополнительной фиксации
  • Тип защёлкиУниверсальная
  • Удаление квадрата под ручку45 мм
  • Лицевая планкаПрямоугольная
  • Ответная планкаЕсть
  • Размер сечения квадрата ручки8 мм
  • Материал защёлкиПластиковая защёлка
+375 (29) 620-93-73

Без выходных

Есть вопросы?

Спрашивайте на сайте или в чате