Защелка магнитная Border под WC никель

Border Механизм магнитный WC - серия замков и защелок для межкомнатных дверей комфорт-класса. Изготавливаются по европейской технологии, устройство внутреннего механизма запатентовано. Обеспечивают долговечную и бесшумную работу в межкомнатных дверях жилых и офисных помещений. Лицевые и ответные планки имеют дизайнерскую палитру исполнения: хром, сатин, никель, серебро, золото, бронза, белый, черный, кофе. Гарантия: 1 год.

  • ПроизводительBorder
  • СтранаРоссия
  • Гарантия1 год
  • Вес400 г
  • Тип механизма защелкиМагнитный
  • Тип защелкиУниверсальная
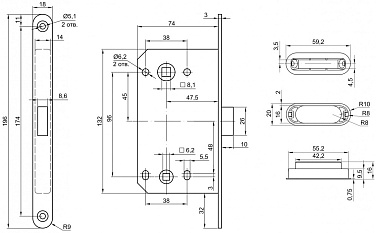
  • Межосевое расстояние96 мм
  • Удаление отверстия (BACKSET)47.5 мм
  • Вылет защелки10
  • Расстояние между крепежными174
  • Количество циклов безотказной работы250 000
  • Покрытие лицевой планкиГальваника
+375 (29) 620-93-73

Без выходных

Есть вопросы?

Спрашивайте на сайте или в чате