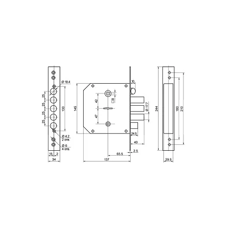
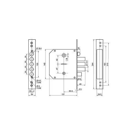
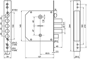
Замок врезной Border сувальдный с задвижкой и защёлкой ЗВ9-6 ЛКЗ (лев.), 5 кл. /77412/
ЗВ9-6ЛК.З/15 - Замок нижний врезной с защелкой и задвижкой. Это надежный замок самого высокого 4 класса с функцией ночника (задвижка), по доступной цене. Подходит для устанавки в гаражные ворота, калитки, а также металлические двери с левым открыванием. Гарантия: 1 год.
- ПроизводительBorder
- СтранаРоссия
- Гарантия1 год
- Вес1916 г
- Тип механизма секретностиСувальдный
- Наличие лицевой планкиС планкой
- Вылет ригеля40 мм
- Тип замкаОсновной (с защелкой под ручку)
- Диаметр ригеля17.7 мм
- Длина ключа102 мм
- Тип защёлкиЛевая
- Дополнительная защитаЗащита от высверливания, защита от перепиливания засова, защита от вскртытия замка отмычкой
- ЗадвижкаЕсть
- Бэксет (удаление ключевого отверстия)65.5 мм
- Защита от копирования ключаНет
- Количество ключей5
- Количество комбинаций120 000
- Межосевое расстояние89 мм
- Количество ригелей3
- Наличие выводов для тягНет
- Отверстия под стяжкиНет
- Габариты индивидуальной уп-ки (ШхГхВ)245x135x30 мм
 
 
 
