Замок для противопожарных дверей Fuaro AP.C-65.72-0433 (ANTI-PANIC FL-0433) с раздельным квадратом

Наличие
Под заказ
Производитель
Страна
Китай
Цвет
хром

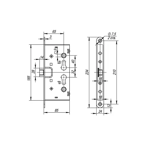
Замок Fuaro FL-0433 разработан и изготовлен в соответствии с требованиями противопожарной безопасности. Функция ANTI-PANIC- обеспечивает свободный выход, закрытая на ключ дверь открывается нажатием ручки изнутри помещения. На корпусе замка расположены отверстия под стяжные винты, подпружиненное отверстие под квадрат для лучшей фиксации ручки. Повышенный ресурс работы: 600 000 циклов открывания/закрывания. В комплекте крепеж, винт для евроцилиндра 75 мм. Универсальная защелка предусматривает возможность установки для правых и левых дверей, открывающихся как внутрь, так и наружу. Стальной оцинкованный корпус, лицевая планка из нержавеющей стали. Рекомендуется установка замка вместе с ручками для противопожарных дверей серии DH-0433 (с пружиной), DH-0431 и цилиндровым механизмом Fuaro. Гарантия: 1 год.

  • ПроизводительFuaro
  • СтранаКитай
  • Гарантия1 год
  • Вес900 г
  • Тип механизма секретностиЦилиндровый
  • Тип замкаС защёлкой под ручку
  • Размер ригеля28*15 мм
  • Тип защелкиУниверсальная
  • Бэксет (удаление ключевого отверстия)65 мм
  • Межосевое расстояние72 мм
  • Количество ригелей1
  • Тип запиранияЦилиндр
  • Функция anti-panicДа
  • Размер отверстия под ручку9 мм
  • Габариты индивидуальной уп-ки (ШхГхВ)240x105x25 мм
+375 (29) 620-93-73

Без выходных

Есть вопросы?

Спрашивайте на сайте или в чате