Корпус врезного замка с защелкой Kale Kilit 152/3MR (45 mm) w/b (никель)

Наличие
Под заказ
Производитель
Страна
Турция
Цвет
никель

Доступные модели

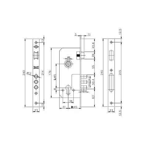
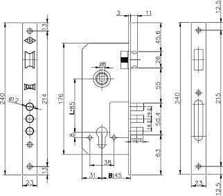
Замок врезной цилиндровый Kale Kilit 152/3MR. Корпус замок врезной с подшипником 3 ригеля, 1 защёлка. Межосевое расстояние 85 мм. Расстояние от планки до центра цилиндра 45мм. Лицевая пластина шириной 22мм. Гарантия: 1 год.

  • ПроизводительKale Kilit
  • СтранаТурция
  • Гарантия1 год
  • Вес706 г
  • Тип механизма секретностиЦилиндровый
  • Вылет ригеля20 мм
  • Тип замкаС защёлкой под ручку
  • Размер ригеля12 мм
  • Бэксет (удаление ключевого отверстия)45 мм
  • Комплектация ручкойНет
  • Количество комбинацийНет (корпус замка)
  • Межосевое расстояние85 мм
  • Количество ригелей3
  • Отверстие под бронюНет
  • Отверстия под стяжкиДа
  • Габариты индивидуальной уп-ки (ШхГхВ)245x90x26 мм
+375 (29) 620-93-73

Без выходных

Есть вопросы?

Спрашивайте на сайте или в чате