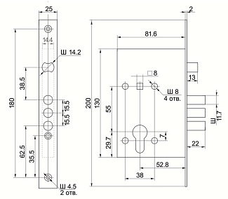
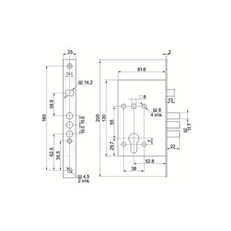
Корпус врезного Border замка с защёлкой ЗВ4-3/55 с ригелем 12 мм /78931/
ЗВ4-31/55 - Замок врезной цилиндровый c защелкой. Это один из самых востребованных замков российского производства. Основные достоинства, которого - доступная цена, отличное качество, распрастраненные установочные размеры. Замок подходит для установки в деревянные и металлические двери размером 40 - 70 мм. Гарантия: 1 год.
- ПроизводительBorder
- СтранаРоссия
- Гарантия1 год
- Вес512 г
- Тип механизма секретностиЦилиндровый
- Наличие лицевой планкиС планкой
- Вылет ригеля22 мм
- Тип замкаОсновной (с защелкой под ручку)
- Размер ригеля55 мм
- Тип защелкиРеверсивная
- ЗадвижкаНет
- Бэксет (удаление ключевого отверстия)52.8 мм
- Защита от копирования ключаНет
- Количество ригелей3
- Наличие выводов для тягНет
- Отверстия под стяжкиЕсть
- Габариты индивидуальной уп-ки (ШхГхВ)200x82x25 мм
 
 
 
